-
Gearbox
- Rototime Product Catalog
- Gearbox Design

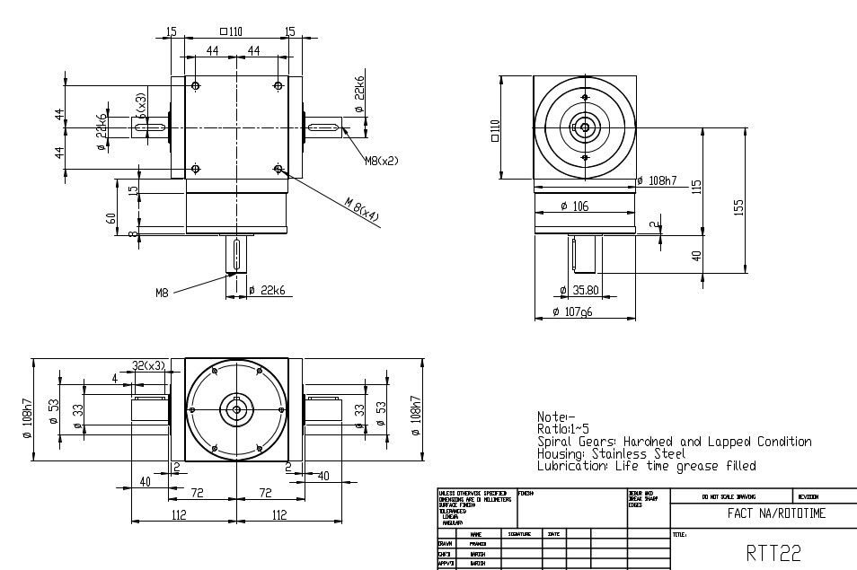
Rototime 416 SS Gearbox
Spiral Bevel Gear, Lapped and Heat Treated
416 Stainless Steel or Carbon Steel Housing
304 Stainless Steel Shaft
Viton Oil Seal
Right-Angle, 3-Shaft
5HP-10HP, 450-2000 in-lbs
Ratio reducer from 1:1, 1:2, 1:3 or Speed increaser
Low backlash < 7arcmin
Speed up to 3000 rpm with low torque
Shaft size 18,22 and 32mm. Also 5/8″
RT= Right-Angle RTT= 3-Shaft










